







AM80 시리즈 PMDC 모터
AM80 시리즈 PMDC 모터 모델: AM8016 AM8020 AM8025 AM8030 AM8038 AM8075
제품 기능 및 장점
- 고효율
- 그레이트 토크
- 고속
주요 응용 프로그램
- 청소 도구
- 전기 세발자전거
AM80 시리즈 제품 기본 정보
| 정격 전압: | DC12V – 24V | 정격 토크: | 800mN.m – 2500mN.m |
| 무부하 속도: | 1000rpm – 2500rpm | 정격 속도 | 200rpm – 800rpm |
| 작동 현재: | 0.5A – 12A | 능률: | 50% – 80% |
| 출력 파워: | 30W – 300W | 삶: | >2000H |
OEM | 커스터마이징 서비스
- 사용 가능
패키지
- 표준 수출 패키지 또는 고객 지침
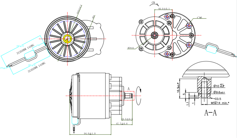
외형도

성능 곡선

| 무부하 | ||
| 속도: | 1662년 | RPM |
| 현재의: | 0.975 | ㅏ |
| 최대 토크에서: | 3.48 | NM |
| 최대 효율 | ||
| 능률: | 74.9 | % |
| 속도: | 1441 | RPM |
| 토크: | 0.61 | NM |
| 현재의: | 5.15 | ㅏ |
| 출력 파워: | 91.88 | 여 |
| 최대 출력 | ||
| 속도: | 856 | RPM |
| 토크: | 2.24 | NM |
| 현재의: | 18.084 | ㅏ |
| 출력 파워: | 204.17 | 여 |
| 능률: | 46.2 | % |