













ミニダイヤフラム電動シリーズポンプ
主な用途:
- 家庭用器具:
ウォーターディスペンサー、電気ケトル、ティーセット、シャンパンマシン、コーラマシン、ワインマシン、コーヒーマシン、ビールマシン、ジュースマシン、ミルクマシン、豆乳マシン、食器洗い機
- 医療機器:
電気機器の冷却、美容・理髪機器
- 水処理装置:
浄化装置 船舶、ヨット、淡水化、車両、入浴、トイレ、衛生、環境保護用のフィルター
OEM |カスタマイズサービス:
- 利用可能
パッケージ:
- 標準輸出パッケージまたは顧客の指示による
| モデル | 電圧 | 最大無負荷電流 | ポート | 最大圧力 | セルフプライミング | 水の流れ | 仕事の流れ | 騒音(作業状態) | 寸法 | 周囲 | 述べる |
|---|---|---|---|---|---|---|---|---|---|---|---|
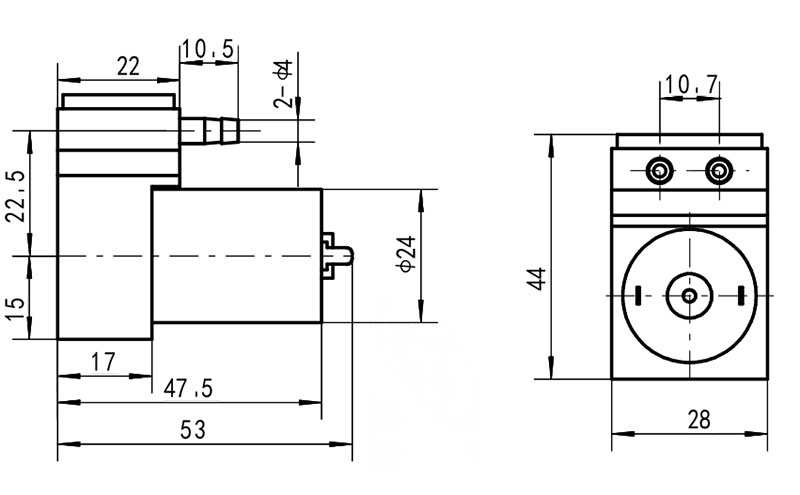
| GDB-280 | 6/12/24 VDC | ≦0.12A | φ4MM | ≧0.2MPa | 1.0M以上 | ≥ 200mL/分 | ≦0.22A | ≦55デシベル | 53×28×44ミリ | 4~60℃ | プレフィルターが必要です |
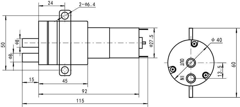
| GDB-390 | DC12/24V | ≦0.20A | φ8MM | ≧0.15MPa | 1.0M以上 | ≥ 1.7L/分 | ≦0.60A | ≦55デシベル | 115×60×40ミリ | 4~60℃ | プレフィルターが必要です |
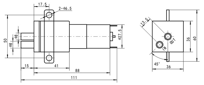
| GDB-390B | DC12/24V | ≦0.20A | φ8MM | ≧0.10MPa | 1.0M以上 | ≥ 2.0L/分 | ≦0.60A | ≦55デシベル | 111×60×36ミリ | 4~60℃ | プレフィルターが必要です |
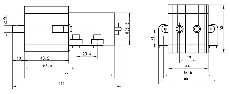
| GDB-545 | 12.24VDC | ≦0.45A | φ8MM | ≧0.2MPa | 1.0M以上 | ≥ 1.7L/分 | ≦1.10A | ≦55デシベル | 119×65×53ミリ | 4~60℃ | プレフィルターが必要です |
GDB-280 特性性能曲線

GDB-280 設置寸法

GDB-390 特性性能曲線

GDB-390 設置寸法

GDB-390B 特性性能曲線

GDB-390B 設置寸法

GDB-545 特性性能曲線

GDB-545 設置寸法
